Sélectionnez une langue

Deutsch
English
Français

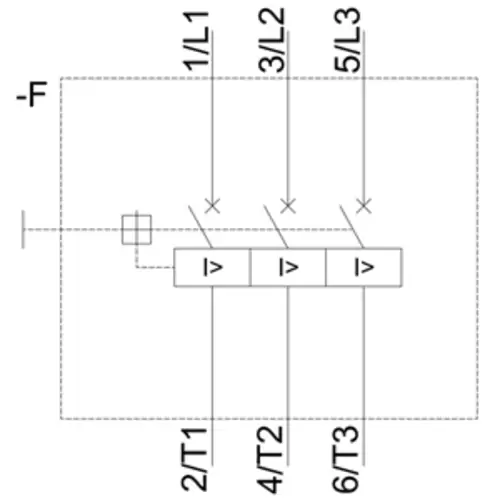
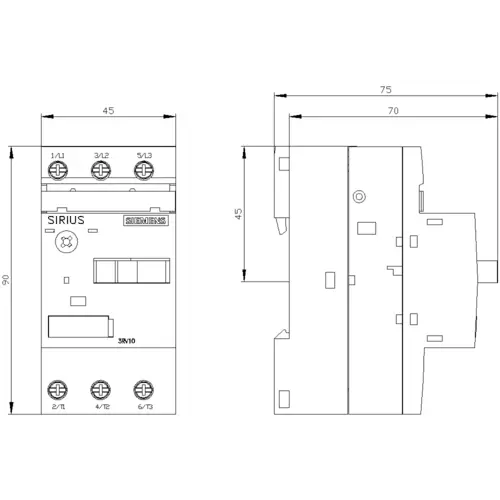
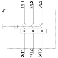
Disjoncteur Siemens 3RV1011-1DA10 3 NO (T) Plage de réglage (courant): 2.2 - 3.2 A Tension de contact (max.): 690 V/AC

  • Alerte aux prix

    Une erreur s'est produite.
    Veuillez entrer une adresse électronique valide.
    L'alarme de prix est activée ! Nous vous enverrons un e-mail dès que le prix souhaité sera atteint.
68,55 €
y compris la taxe sur la valeur ajoutée
plus
y compris l'écotaxe 0,01 €
Délai de livraison: 2-3 Journées
sur place
30 jours de retour gratuit
Disjoncteur Siemens 3RV1011-1DA10 3 NO (T) Plage de réglage (courant): 2.2 - 3.2 A Tension de contact (max.): 690 V/AC
68,55 €
y compris la taxe sur la valeur ajoutée
plus
y compris l'écotaxe 0,01 €
Un article ne vous suffit pas et vous voulez économiser de l'argent ?
à partir de 3 pc(s): 67,86 € 1,0% économies
à partir de 5 pc(s): 67,17 € 2,0% économies
à partir de 10 pc(s): 65,80 € 4,0% économies

Description du produit

Description

Disjoncteur taille S00 pour la protection du moteur, déclencheur CLASS 10 A 2,2...3,2 A N déclencheur 42 A raccordement à vis capacité de commutation standard disjoncteur SIRIUS 3RV1 pour la protection du moteur pour une coupure sûre en cas de court-circuit et de protection des consommateurs et de l'installation contre les surcharges, ainsi que pour la séparation sûre de l'installation du réseau.
Les disjoncteurs les plus compacts et les plus respectueux de l'environnement sont optimisés pour une utilisation dans les compartiments des consommateurs grâce à leur faible chaleur résiduelle, bien sûr également pour les moteurs IE3/IE4 et également pour la commutation de courant continu. Les homologations internationales (par ex. IEC et UL/CSA) et les applications dans des applications potentiellement explosives (ATEX ou IEC ex) sont bien entendu.
Des variantes d'appareils sont disponibles pour la protection du moteur, comme interrupteur principal et arrêt d'urgence et pour une utilisation sur les réseaux informatiques. Ils sont disponibles avec connexion à vis et au choix avec interrupteur auxiliaire intégré.
Les accessoires complets, tels que les commutateurs auxiliaires, les déclencheurs auxiliaires, etc., sont identiques pour toutes les tailles. L'utilisation de différentes possibilités d'économie d'énergie, comme le système d'alimentation associé SIRIUS 3RV29, réduit considérablement le câblage du circuit principal.
Simple, efficace, toujours à jour - le boîtier de construction SIRIUS.

Ce texte a été traduit par une machine.

Mots-clés

04011209263550, 4011209263550, Siemens, 3RV10111DA10, 3RV1011-1DA10, 243-7123

Données sur les produits

Téléchargements

Examens

Accessoires

Comment acheter chez nous?

Obtenez des avantages dès maintenant !

Profitez de 2 ans de garantie de suivi gratuite ! Inscrivez-vous simplement à notre newsletter gratuite !

{{#if results}}
{{/if}}